Домкрат пневмогидравлический ямный двухштоковый (канавный подъемник), 20 т
310 500 ₽
Скидочная программ до 20%
Отправка осуществляется в течение 24 часов после оплаты заказа.
Домкрат пневмогидравлический ямный двухштоковый (канавный подъемник) 20 тонн
Описание Nordberg N502G:
Предназначен для вывешивания передних или задних мостов грузовых автомобилей, автобусов, тракторов, строительной и сельскохозяйственной техники над смотровой канавой или подъёмником.
ПРЕИМУЩЕСТВА
- Грузоподъёмность 20 тонн — подходит для тяжёлых легковых и коммерческих автомобилей;
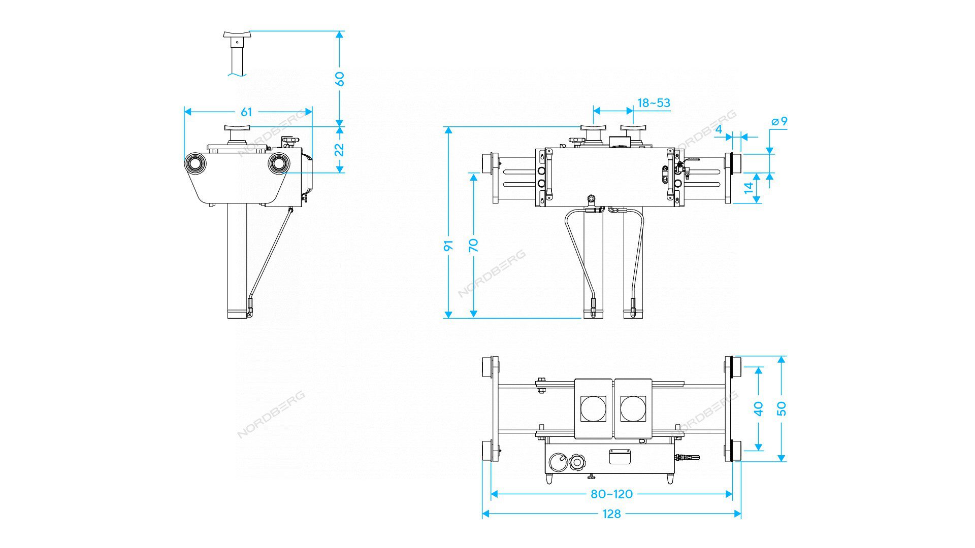
- Максимальная высота подъёма — 600 мм — обеспечивает удобный доступ к узлам снизу;
- Совместимость со смотровыми ямами шириной 800–1200 мм — универсальность установки;
- Минимальная глубина ямы — 800 мм — подходит для большинства стандартных конструкций;
- Рабочее давление воздуха — 8–10 бар — оптимально для надёжной работы подъёмного механизма;
- Расход воздуха — 283 л/мин — эффективная работа с большинством пневмосистем;
- Двухштоковая конструкция — плавный и надёжный подъём без рывков;
- Смотровое окошко для контроля уровня конденсата — удобный визуальный контроль без демонтажа элементов.
УДОБСТВО ИСПОЛЬЗОВАНИЯ
- Низкий профиль — позволяет использовать под автомобилями с малым дорожным просветом;
- Удобная ручка управления — простота в использовании;
- Резиновая накладка на опорной чашке — защита кузова при подъёме;
- Лёгкое перемещение — благодаря колёсам и эргономичной рукоятке;
- Прочная стальная рама — высокая надёжность в условиях постоянной нагрузки.
| Грузоподъемность макс., т | 20 |
| Макс. высота подъема, см | 60 |
| Высота от ролика до насадки, см | 22.1 |
| Мин. длина платформы, см | 80 |
| Макс. длина платформы, см | 120 |
| Ширина платформы, см | 55.5 |
| Мин. колея траверсы, см | 88.2 |
| Макс. колея траверсы, см | 128.2 |
| Привод насоса | пневматический |
| Среднее потребление воздуха, л/мин | 283 |
| Гидравлический ход штока, мм | 600 |
| **Габариты и вес товара с упаковкой |
| Общий вес с упаковкой — 300 кг |
| Упаковка | Размеры упаковки (Д*Ш*В), мм | Вес, кг |
| Упаковка №1 | 1010 x 690 x 1020 | 300 |
** Теоретический вес
Минимальная сумма заказа-не ограничена.
Заказать товары можно любым из перечисленных способов:
• Поместить их в «корзину» нашего интернет-магазина и оформить заказ;
• Заказав обратный звонок (Кнопка в правом нижнем углу). Наш специалист свяжется с вами в течении нескольких минут и обговорит условия оплаты, наличие, время доставки и т.д.;
• По телефону : +7(925) 128-88-58
• По электронной почте: info@ktk-avto.ru
Мы ответим на любые Ваши вопросы максимально подробно и быстро.
Варианты оплаты
• Наличными средствами в офисе компании.
• Наличными при доставке и приёмке товара курьеру компании
• Банковские карты.
• Безналичный расчёт. (Работаем с НДС)
Получение заказа
• Забрать товар самостоятельно из офиса компании можно на следующий день после оформления заказа либо в день заказа (оговаривается с диспетчером компании)
*Обращаем ваше внимание на то, что перед тем, как забрать товар, вам необходимо предупредить нас о своём визите. (мы проверим наличие в данный момент необходимого товара на складе)
Доставка по Москве и Московской области
Доставка производится собственной курьерской службой в течение, максимум, двух рабочих дней после поступления денег на расчётный счет или в кассу. Стоимость доставки определяется индивидуально (это зависит от суммы заказа, его габаритных размеров, удалённости от офиса и т.д.)
Доставка в регионы
Доставка в регионы России и стран СНГ осуществляется следующими транспортными компаниями:
• Энергия
• СДЭК
• Деловые линии
• ЕМС Почта России
Так же можем отправить транспортной компанией удобной клиенту.
Независимо от выбора перевозчика вы получает вместе с грузом весь пакет бухгалтерских документов.
Похожие
-
N601TДомкрат пневмогидравлический ямный (канавный подъемник) 15тВ избранное0 из 5460 000 ₽ В корзину -
N501T#A2-1Насадка-траверса с регулируемым подхватом для N501TВ избранное0 из 571 600 ₽ В корзину -
N501T#A5Насадка V-образная для N501TВ избранное0 из 52 800 ₽ В корзину -
N502TДомкрат ямный двухштоковый (канавный подъемник) 20тВ избранное0 из 5376 500 ₽ В корзину -
N501T#A9-1Фиксатор механический для N501TВ избранное0 из 531 100 ₽ В корзину








Отзывов пока нет.